HQ068
    发布时间: 2020-02-14 18:35    

        HQ068型电子封条是一种加装了非接触式的可识别RFID芯片的封签,电子标签与所标示物体等信息在数据库中进行绑定,通过手持机自动识别目标对象并获得相关数据,从而达到识别标示物的目的,并通过与互联网应用平台结合使用,使防盗防盗的安全性大幅提升。

HQ068

HQ068型电子封条的主要指标:

1、结构电子封条具有良好的防撬功能,结构紧凑、材料优良。

                施封后,封线和封体为一体化结构,破坏后不能恢复。

                施封后,封线在不破坏封体的情况下不易被拉出,抗拉力≥1500N

                施封后,封头不能从封体无损拔出。

                采用自锁式结构,两级卡槽,分层控制。

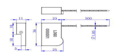
                钢丝绳直径:1.80mm 

                标准绳长:30cm(可随意定制长度)

                锁体尺寸:36*25*11mm

2、封体:采用进口PC聚碳酸脂、塑钢、ABS树脂等材料,外壳坚硬防撬并有一定韧性。

具有良好的防腐能力,在高温、潮湿、日照、灰尘、盐雾等极限环境中,封印的外观不发生明显变化。

封体在110及以下温度不会融化。

自锁件采用金属材料制成,具有良好的防腐和抗拉能力,抗拉力≥150N。

在高温、潮湿、日照、灰尘、盐雾等极限环境中,能保持封线正常的拉力不受影响。

封线截断后,前端不分叉,封线剪断后,不能绞合或粘合。

3RFID芯片主要指标
  • 具防冲突机制,支持多卡操作

  • 无电源,自带天线,内含通讯逻辑电路

  • 数据保存期为10年,可读取10万次以上

  • 工作温度:-40~80(湿度为90%)

  • 工作频率:13.56MHz915MHZ

  • 工作电压:3.5V-5V

  • 通信速率:106KBPS

  • 芯片天线:直径16mm

  • 读取率:大于99%(与读卡器有关)

  • 读写距离:50mm以内(与读写器及芯片的工作频率有关)